Catalog
Electronice
Electrocasnice
Casă, Grădină, Reparație
Construcții și reparații
Marfe pentru animale
Articole Sportive
Articole Copii
Electronice Auto
Activități în aer liber și turism
Art și hobby
Fashion
Produse pentru business
Frumusețe și sănătate
Chişinău
Moldova
Orașul dumneavoastră:
Anenii Noi
Bălţi
Basarabeasca
Briceni
Cahul
Călărași
Cantemir
Căușeni
Ceadîr-Lunga
Chişinău
Cimişlia
Comrat
Criuleni
Donduşeni
Drochia
Edineț
Făleşti
Floreşti
Glodeni
Hînceşti
Ialoveni
Leova
Nisporeni
Ocniţa
Șoldănești
Orhei
Rezina
Rîşcani
Sîngerei
Soroca
Strășeni
Taraclia
Ștefan-Vodă
Telenești
Ungheni
Vulcăneşti
Избранные товары
Перейти в корзину
0 0 lei
RO
RU
Principala
Catalog
Favorite
Coșul
Construcții și reparații
Sanitare
Baie
Baterii
Baterii pentru duș
Grohe
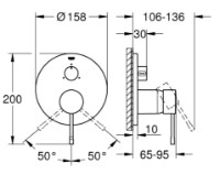
Baterie de duș Grohe Essence (24092001)
Baterie de duș Grohe Essence (24092001)
în 3 plăți fără dobândă
Cod: 555503
Produsul este epuizat
Livrare în:
Chişinău
Livrare prin curier
gratis
Specificații
Tip
mono comandă
Incorporabilă
Da
Material carcasă
alamă
Finisaj
crom